网站首页
关于我们
服务承诺
产品中心
GNSS放大器
GNSS功分器
GNSS天线
GPS模拟器
GNSS信号管理终端
方案案例
产品资质
产品认证
外观专利
发明专利
合作伙伴
联系我们
网站首页
关于我们
产品中心
方案案例
产品资质
联系我们
当前位置:
首页
>
方案案例
GNSS信号室内覆盖方案-实现车辆调度的智能化
来源:
日期: 2025-11-29
在物流仓储、货运场站等场景中,货车在室内的精准定位是提升调度效率、保障
高效统计运行的关键。然而,传统GNSS(全球导航卫星系统)信号易受建筑墙体、遮挡物影响,难以穿透室内空间,导致一层区域货车定位出现信号弱、漂移严重甚至定位失效等问题。信广源科技针对性推出GNSS信号室内覆盖方案,成功实现货车在一层两个特定区域的稳定、精准定位,为室内货运场景的智能化管理提供了可靠技术支撑。
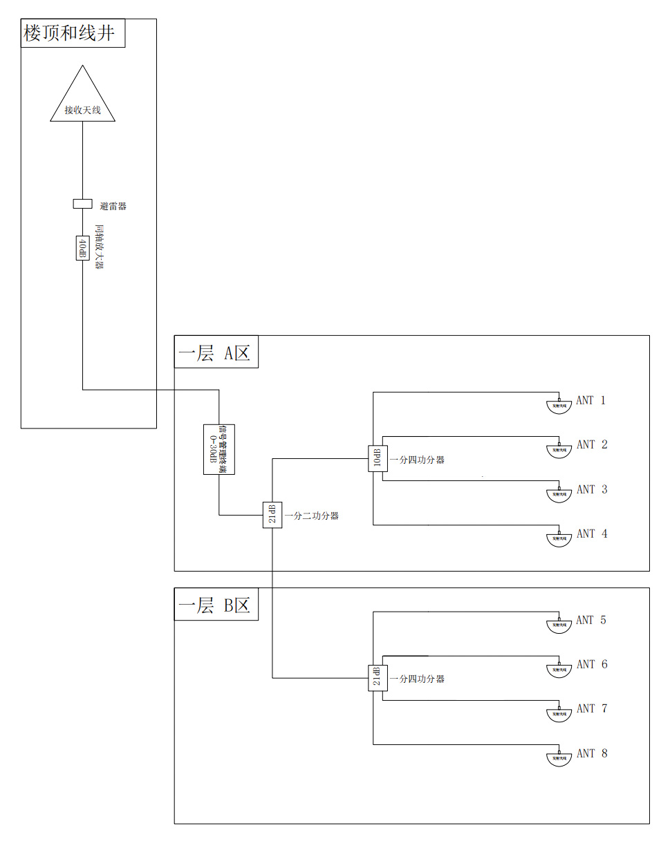
该方案以“精准覆盖”为核心,依托信广源在卫星导航与定位通信领域的技术积累,针对一层两个区域的空间结构的差异,进行了定制化部署。方案采用高性能GNSS信号转发设备,通过室外接收天线捕获GPS、北斗等多系统卫星信号,对一层两个区域进行 GNSS 信号室内覆盖,楼顶层高 15 米。接收天线安装于楼顶空旷处,天线下来安装避雷器并良好接地,通过一个 40dB 同轴防水放大器对同轴线缆进行线损补偿和信号前置放大。
主要设备机架增益控制器放在一层 A 区,对天线下来信号进行增益控制放大,输出给一个一分二功分器,把信号分成两路,一路输出给 A 区,一路输出通过线缆,输出到另一个区域。
针对不同区域的墙体布局、遮挡情况,技术团队对天线位置、信号功率进行精细化调试,确保信号覆盖无死角,且两个区域的信号互不干扰,满足多货车同时定位的需求。
方案布局图
解决效果:信广源GNSS方案设备具备稳定的GPS覆盖能力,可长时间连续运行,适配货车频繁进出、动态移动、统计货车数量的场景,解决了传统室内定位方案兼容性差、稳定性不足的痛点,信广源给与客户诚心且高端的体验:
一:产品高端且性能稳定,质保五年。
二:设备安装便捷、调试高效,可快速落地启用。
三:针对一层两个区域的差异化需求,可灵活调整天线布局与信号覆盖范围,适配不同场景的扩展需求...
上一篇:
GPS信号放大器在测量测绘中的应用
下一篇:
GNSS室内覆盖方案-地下空间重获精准的“时空坐标”
热线电话:18529061375
Copyright ©
深圳市信广源科技有限公司
本站部分图文来源网络,如有侵权问题请通知我们处理!
网站建设
维护
联系电话
微信
公司地址
X
18529061375
在线客服
在线服务
18529061375